新品有料 | 定位销孔废料脱扣器 |
返回 发布时间:2023-12-05 阅读次数:2889 来源:武汉东风科尔模具标准件有限公司
武汉科尔精密科技致力于技术创新、持续改进、标准互换、精益生产,深入客户模具制造车间及冲压现场,解决客户所遇之困难,让模具设计更简单、制造更快捷、维修更方便。
冲压工艺中,在完成制件的成型折弯整型后,需要对制件进行修边,修边模具要按照预设的修边线切除成型后多余的废料。在工艺孔附近余料少,位置窄的地方,受结构限制,设计者不易设置压料装置,导致切除难度大、上模废料刀被挤断、易产生毛刺、切料不准等问题。
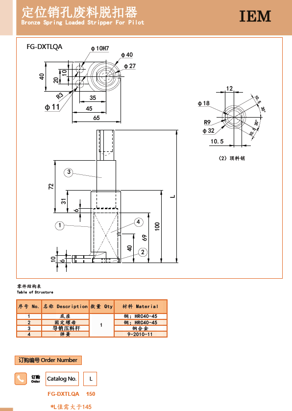
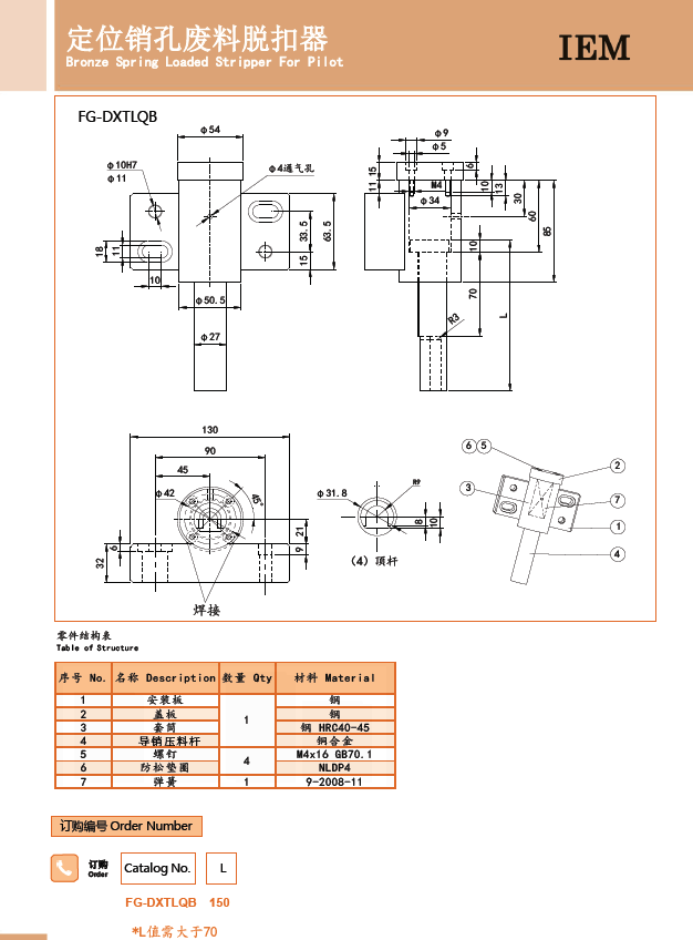
为帮助客户解决这一难题,特推出新品FG-DXTLQ定位销孔废料脱扣器,用于外板模具精定位孔处切边压料,更好的完成废料的切除。

它相对于传统压料修边结构而言,有以下优势:
01、充分利用制件工艺孔,定位销定位板料,同时引导脱扣器导销压料杆向下运动。
02、脱扣器导销压料杆可以替代压料芯对制件狭窄位置或空间不足之处进行压料。
03、脱扣器组件自带弹簧,可起到压料作用。
04、导销压料杆避开定位销和切断刀,有效利用空间,导销压料杆仿形加工,更加贴合制件型面。
05、导销压料杆为铜合金材料,耐压耐磨,不易对制件产生压痕。
制件在自然状态下由下模定位销定位后,脱扣器随上模一起向下运动,脱扣器导销压料杆接触到定位销后引导并开始压紧板料,修边刀下行接触到板料开始剪切废料,切断后,模具上模打开分离,脱扣器继续顶扣废料,防止废料粘贴切断刀上行。待切断刀完全分离,脱扣器与废料分离,废料掉落至废料滑槽中,完成修边动作。


FG-DXTLQ定位销孔废料脱扣器选型及说明:根据安装方式分两种结构



期待您的咨询与选用,咨询及订购电话:027-84281894






