中文|English 注册 - 登录 - 询价(0) - 购物车(0) 搜索: search

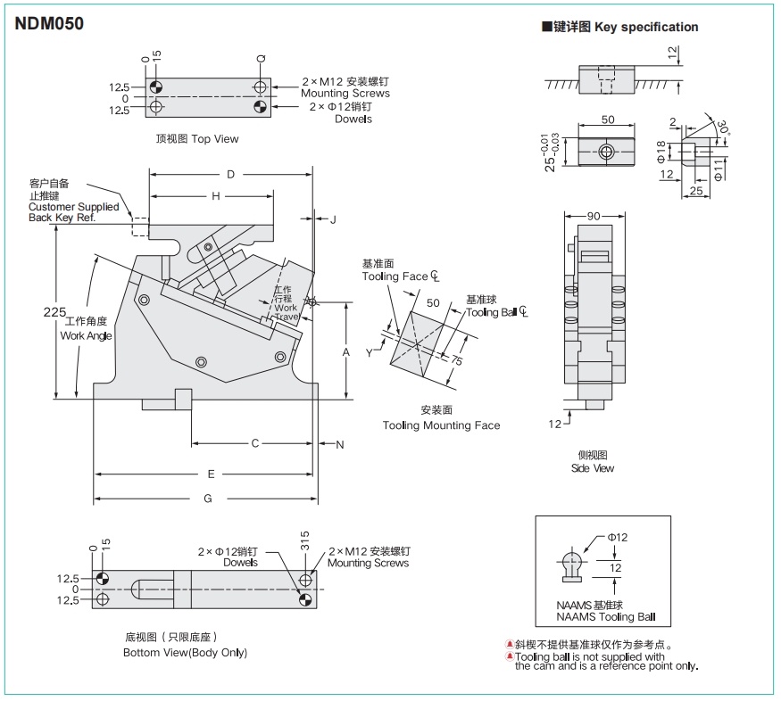
NDM050

NAAMS



我要询价在线订购

详细介绍

所提供的NAAMS斜楔具有卓越的性能,斜楔设计考虑了重裁和大批量生产。

1.滑动表面自润滑免维护。

2.标准选择是铜合金导板与钢导板摩擦,选项是钢导板与钢导板摩擦。

3.为了消除运行中噪音和减少磨损对特定角度增加滑块加速器。

4.斜楔上的刚性返回器为确保滑块的返回而提供可靠的保护。

5.有斜楔限位装置便于斜楔安装。

6.后面装卸弹簧方式,便于维护。

7.所有斜楔采用了只拆卸侧板,即可快速取出滑块的结构。

尺寸图 订购型号 产品目录

亚新官方网站亚新官方网站

产品中心

人才招聘

服务支持

非标询价

友情链接:

Copyright @ 2023 亚新官方网站十堰分公司       鄂ICP备14019941号-1      企业邮箱