亚新官方网站-通用免费下载
中文
|
English
注册
-
登录
-
询价(
0
)
-
购物车(
0
)
搜索:
首页
关于我们
公司简介
公司愿景
公司理念
荣誉资质
设备展示
新闻中心
公司动态
优品聚
公司公告
行业新闻
产品目录更改通知
产品电子目录下载
产品中心
氮气弹簧
斜楔类
导向类
冲裁类
起重元件系列
弹性元件系列
角部卷边机构系列
其它类
服务支持
营销网络
服务承诺
人力资源
人才理念
招聘信息
联系我们
联系方式
留言反馈
首页
>
产品中心
>
导向类
>
导板
>
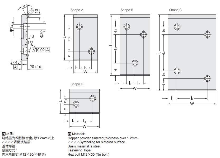
烧结导板
NSAD
NAAMS系列—烧结导板
我要询价
在线订购
详细介绍
尺寸图
订购型号
产品目录
产品中心
下载中心
氮气弹簧
ISO微型氮气弹簧
微型·小型氮气弹簧
小型氮气弹簧
ISO标准氮气弹簧
极强载荷型氮气弹簧
紧凑型氮气弹簧
短型氮气弹簧
ISO 极强载荷型氮…
斜楔类
IEM全新系列
KAHC系列
KCLB 系列
KFAK 系列
MLGQ系列
KMACFA系列
MLSZ 系列
MLXZ系列
IEM重载宽型系列
JIS系列斜楔
反向斜楔
NAAMS系列斜楔
盒形斜楔
标准盒形斜楔
大功率重载盒形斜楔
大行程盒型斜楔
拉冲斜楔
滚轮斜楔
导向类
导板
自润滑导板
斜楔压板
双金属斜楔主动板
单V型自润滑导板
侧导向块
烧结导板
导柱、导套
JIS系列
NAAMS系列
FORD系列
E24 EM24系列
DIN9833系列
IEM新增系列
IEM系列
冲裁类
肩形凸模
定位销孔凸模
球锁紧凸模
翻边凸模
厚板冲裁用凸模
异形凸模
凸模压块
凹模
固定块合件
起重元件系列
弹性元件系列
角部卷边机构系列
其它类
拉延模用标准件系列
复位元件系列
限位元件系列
定位元件系列
提升机构系列
导料 挡料机构系列
压合模用标准件系列
废料处理元件系列
压印元件系列
连接装置系列
关于我们
公司简介
公司愿景
公司理念
荣誉资质
设备展示
新闻中心
公司动态
优品聚
公司公告
行业新闻
产品目录更改通知
产品电子目录下载
产品中心
氮气弹簧
斜楔类
导向类
冲裁类
起重元件系列
弹性元件系列
角部卷边机构系列
其它类
服务支持
营销网络
服务承诺
人力资源
人才理念
招聘信息
联系我们
联系方式
留言反馈
友情链接:
-- 友情链接 --
武汉科尔精密科技企业邮箱
Connell Limited Partnership
DANLY
LAMINA
LEMPCO
武汉科尔精密科技企业官网
Copyright @
2023 亚新官方网站十堰分公司
鄂ICP备14019941号-1
企业邮箱
[关闭]
购物车中已有
0
件商品。
[关闭]
询价单中已有
0
件商品。