中文|English 注册 - 登录 - 询价(0) - 购物车(0) 搜索: search

FG-ZGY

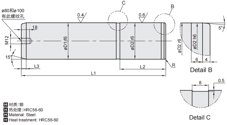
Ford系列一压配式导柱

我要询价在线订购

详细介绍

FG-ZGY压配式导柱,仅适用于全球Ford (Global ford)和欧洲Ford(Europe Ford)的标准。

与STT61环台式铜合金自润滑导套配套组合后,用于汽车冲压模具模座间的滑动导向。

尺寸图 订购型号 产品目录

亚新官方网站亚新官方网站

产品中心

人才招聘

服务支持

非标询价

友情链接:

Copyright @ 2023 亚新官方网站十堰分公司       鄂ICP备14019941号-1      企业邮箱