中文|English 注册 - 登录 - 询价(0) - 购物车(0) 搜索: search

E24-YBZB

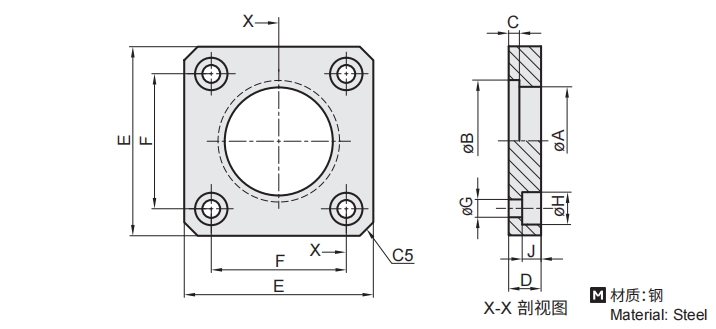
E24、EM24系列一固定压板


我要询价在线订购

详细介绍

E24-YBZB压板,用于紧固中部固定卡环式导柱。

尺寸图 订购型号 产品目录

亚新官方网站亚新官方网站

产品中心

人才招聘

服务支持

非标询价

友情链接:

Copyright @ 2023 亚新官方网站十堰分公司       鄂ICP备14019941号-1      企业邮箱