中文|English 注册 - 登录 - 询价(0) - 购物车(0) 搜索: search

垫块\平衡块

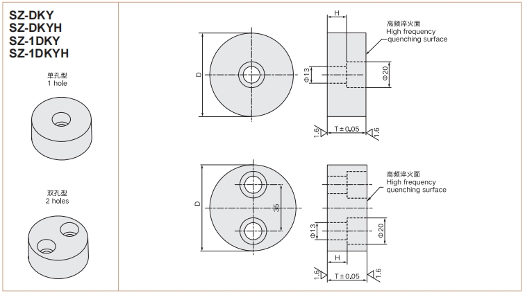
SZ-DKY\SZ-DKYH\SZ-1DKY\SZ-1DKYH  圆形垫块\圆形平衡

SZ-DKYA\SZ-DKYAH     圆形垫块

DM-PHK\SZ-PHK      圆形平衡

SZ-DKF\SZ-DKFH   方形垫块

我要询价在线订购

详细介绍

尺寸图 订购型号 产品目录

亚新官方网站亚新官方网站亚新官方网站亚新官方网站

产品中心

人才招聘

服务支持

非标询价

友情链接:

Copyright @ 2023 亚新官方网站十堰分公司       鄂ICP备14019941号-1      企业邮箱